Ваш город:
Бийск
Ваш город Бийск?
Да Выбрать другой
Заказать звонок
Фильтр

Редуктор крановый ВК-350, ВК-475, ВК-550

Описание

Тип Частота вращения вых. вала Мощность на вых. валу КПД Масса
Режим работы Передаточные числа
10 14 31,5 50
10,7 14,7 30,6 49,5
ВК-350 750 Легкий 5,9 4,4 2,2 1,4 0,91 77
ПВ=15 3,9 3,2 1,6 1
ПВ=25 3,4 2,8 1,4 0,9
ПВ=40 2,9 2,3 1,2 0,75
1000 Легкий 7,5 5,7 2,9 1,8
ПВ=15 4,7 4 2,1 1,3
ПВ=25 4 3,5 1,8 1,2
ПВ=40 3,4 3 1,6 1
Тип Передаточное число Номинальный крутящий момент на вых. валу Мин. кратковремен. допускаемый крут. момент на вых. валу КПД Масса
Ном. Факт Для режима Т Для режима С Для режима Л
При частоте вращения вых. вала
600 750 1000 600 750 1000 600 750 1000 600 750 1000
ВК-475 20 19,7 1,55 1,45 1,3 1,8 1,7 1,5 2,1 2 1,7 5,45 5,15 4,8 0,91 215
28 29,6 1,95 1,95 1,8 2,3 2,15 2,15 2,6 2,6 2,4 6,5 6,3 6
50 52,92 1,6 1,6 1,6 2 2 1,85 2,3 2,3 2,15 7,5 7,4 7,1
112 109,6 1,7 1,7 1,7 2 2 2 2,3 2,3 2,3 7,9 7,75 7,5
ВК550 18 17,72 2,2 2,2 2,15 2,6 2,6 2,5 3 3 2,9 9,25 8,5 7,7 0,91 279
31,5 32,9 2,3 2,2 2 2,7 2,6 2,4 3,1 3 2,8 10,9 10,9 10,6
71 68,3 2,4 2,4 2,3 2,8 2,8 2,7 3,2 3,2 3,15 11,2 11,2 11,2
125 126,8 2,4 2,4 2,4 2,8 2,8 2,8 3,2 3,2 3,2 11,2 11,2 11,2

Габаритные и присоединительные размеры

Тип L l1 l2 l3 l4 H H1 B B1 B2 aw aw1 aw2 n d
ВК-350 558 280 50 0 185 298 160 220 185 220 90 130 130 4 17
ВК-475 790 482 50 80 200 458 220 250 215 255 105 160 210 8 17
ВК-550 880 557 50 70 320 488 235 280 245 285 140 190 220 8 17

 

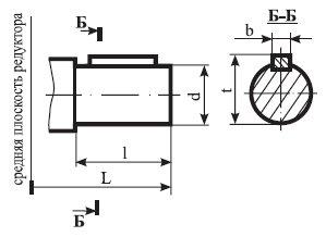
Размеры входного вала

 

Размеры выходного вала

 

Тип d l l1 b L t
ВК-350 30 80 60 8 177,5 29,1
ВК-475 40 110 82 10 242,5 38,9
ВК-550 40 110 82 10 242,5 38,9

 

 

Тип dh6 l L b t
ВК-350 35 55 180 8 38,5
ВК-475 65 110 260 18 69
ВК-550 80 110 180 22 85

 

Варианты сборки

Редуктор ВК-550-50-23-У2, где:

  • РК – тип;
  • 550 – суммарное межосевое расстояние;
  • 50 – номинальное передаточное число;
  • 23 – вариант сборки;
  • У2 – климатическое исполнение;
Назад
Выбор города