Ваш город:
Бийск
Ваш город Бийск?
Да Выбрать другой
Заказать звонок
Фильтр

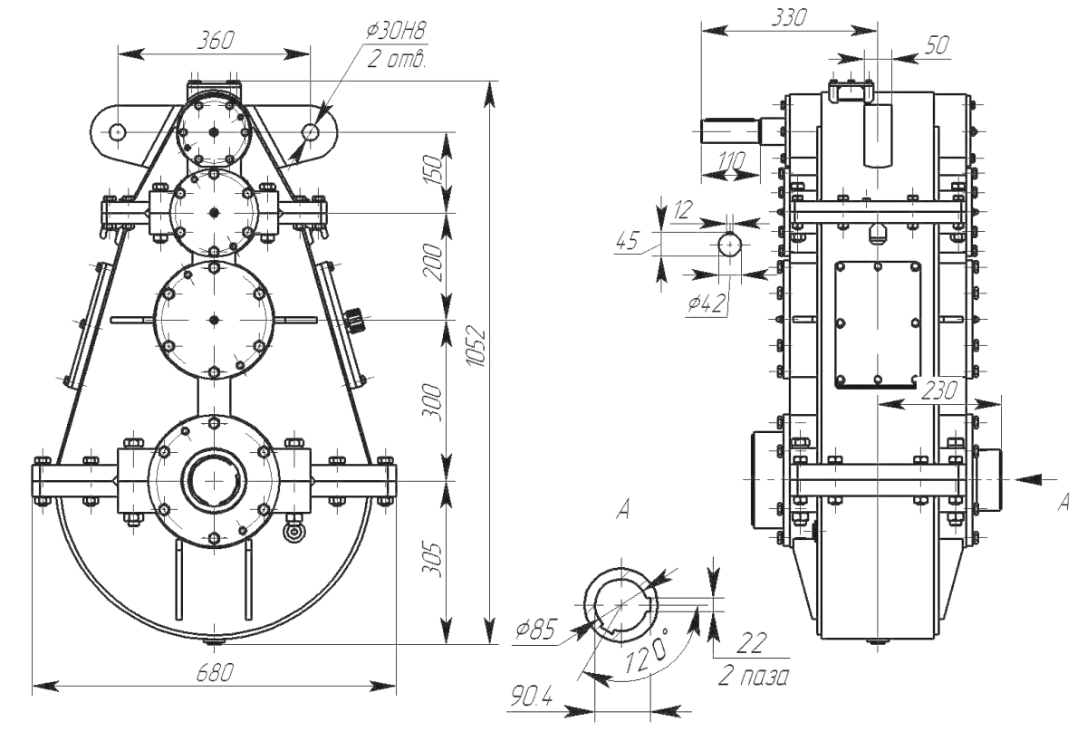
Цилиндрический вертикальный редуктор 3РВ-650

Описание

Номинальное передаточное отношение, i 125
Номинальный крутящий момент на тихоходном валу, Нм  4000
Номинальная частота вращения быстроходного вала, с-1 (об/мин) 100
Коэффициент полезного действия, % 96
Масса, кг  450

Примерные обозначения при заказе продукции

3РВ-650-125-2-У1, где:

  • 3РВ – Тип редуктора;
  • 650 – Межосевое расстояние;
  • 125 – Номинальное передаточное число;
  • 2 – Вариант сборки;
  • У1 – Климатическое исполнение и категория размещения.
Назад
Выбор города