Ваш город:
Бийск
Ваш город Бийск?
Да Выбрать другой
Заказать звонок
Фильтр

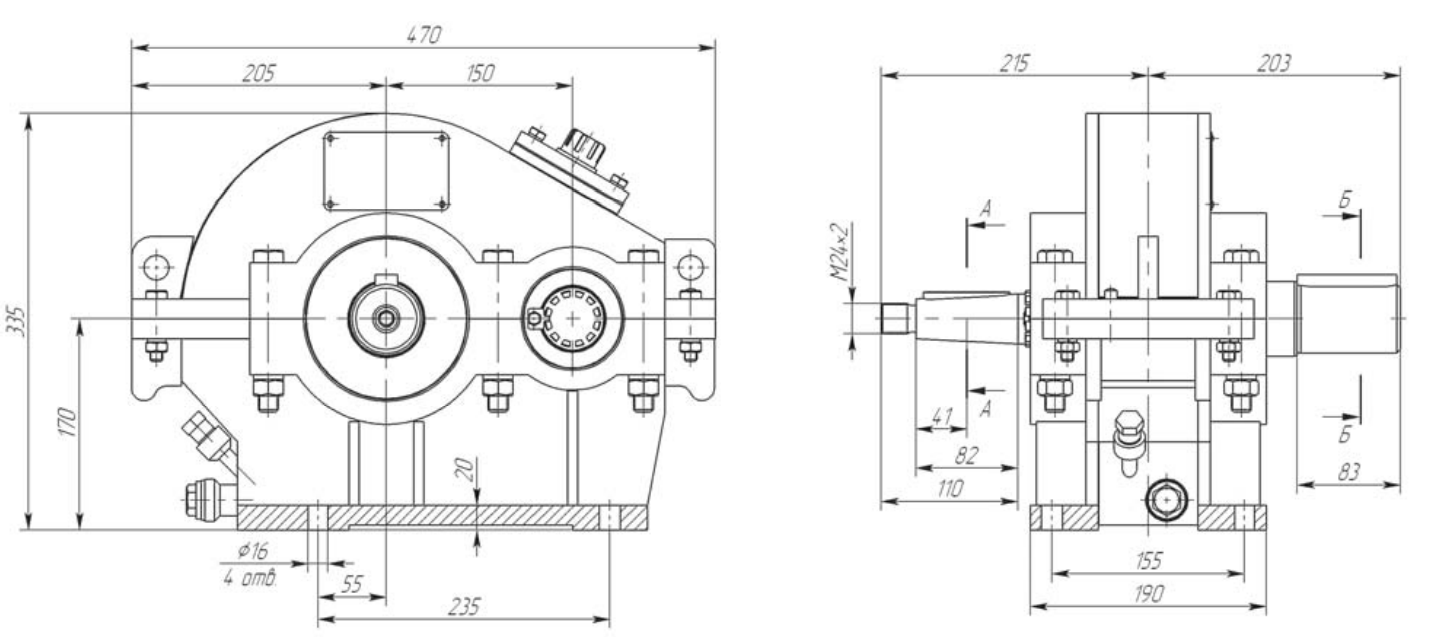
Редуктор цилиндрический одноступенчатый РЦ1-150

Описание

Номинальные передаточные отношения, i Номинальная частота вращения быстроходного вала, об/м Номинальный крутящий момент на тихоходном валу при повторно-кратковременном режиме (ПВ 40%), Нм  Масса, кг 
2,5; 3,15; 4,0; 4,5; 5,0; 6,3 1500 600 84

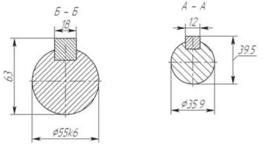
Валы

 

Варианты сборки

Примерные обозначения при заказе продукции

РЦ1-150-6,3-22-ЦвхЦвых-У1, где:

  • РЦ1 – Тип редуктора;
  • 150 – Межосевое расстояние второй ступени;
  • 6,3 – Номинальное передаточное число;
  • 22 – Вариант сборки;
  • Цвх – Цилиндрический входной вал;
  • Цвых – Цилиндрический выходной вал;
  • У1 – Климатическое исполнение и категория размещения.
Назад
Выбор города