Ваш город:
Бийск
Ваш город Бийск?
Да Выбрать другой
Заказать звонок
Фильтр

Цилиндрические редукторы ГПШ-400, ГПШ-500

Описание

Параметры

ГПШ-400

ГПШ-500

Номинальное передаточное отношение, i

8,0; 10,0; 12,5; 16,0; 20,0;25,0; 31,5; 40,0; 50,0

Номинальная частота вращения быстроходного вала n 1, с-1 (об/мин)

1500

Номинальный крутящий момент на выходном валу, Нxм, при непрерывном (Н) режиме работы (ПВ=100%)

1800

2100

Номинальный крутящий момент на выходном валу, Нxм, при работе в повторно-кратковременных режимах Тяжелый (Т) (ПВ 40%)

2500

2500 — 4300

Средний (С) (ПВ 25%)

3600

3600 — 5800

Легкий (Л) (ПВ 15%)

4000

Масса, кг

267

410

Ориентировочный объем масла, л. 23 35

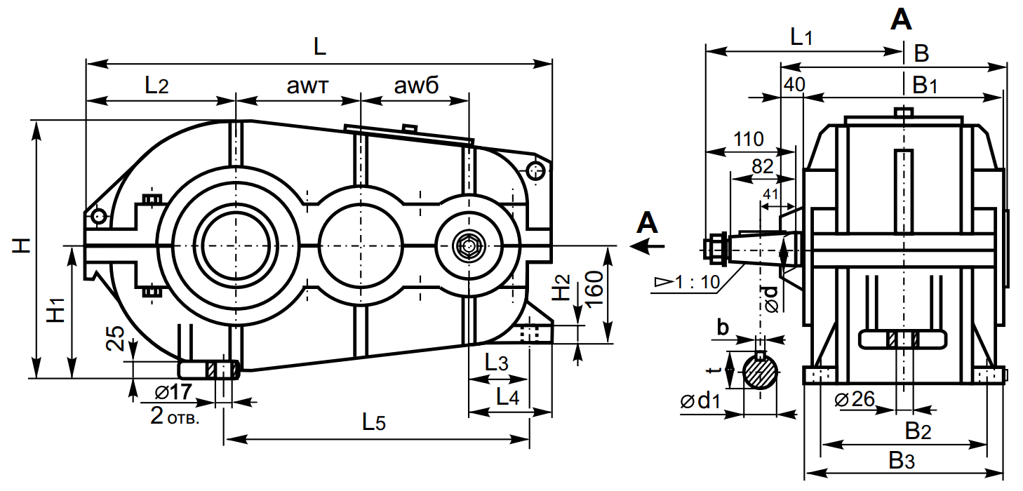
Типоразмер awб awт L L1 L2 L3 L4 L5 L6 L7
ГПШ-400 150 250 826 270 288 93 133 566 20 320
ГПШ-500 200 300 986 330 338 108 148 718 25 360

 

Типоразмер B B1 B2 B3 H H1 H2 d d1 b t
ГПШ-400 355 310 270 310 480 240 25 40 35,9 10 38,9
ГПШ-500 395 350 310 350 580 290 30 50 45,9 12 48,9

 

Размер полого шлицевого вала

Варианты сборки

Примерные обозначения при заказе продукции

ГПШ-400-20-28-У1, где:

  • ГПШ – Тип редуктора;
  • 400 – Межосевое расстояние второй ступени;
  • 20 – Номинальное передаточное число;
  • 28 – Вариант сборки;
  • У1 – Климатическое исполнение и категория размещения.
Назад
Выбор города