Ваш город:
Бийск
Ваш город Бийск?
Да Выбрать другой
Заказать звонок
Фильтр

Цилиндро-червячные редукторы ЦЧ-200, ЦЧ-250, ЦЧ-320, ЦЧ-400

Описание

iN n1 n2 цч-200 цч-250 цч-320 цч-400
Р1 Т2 η Р1 Т2 η Р1 Т2 η Р1 Т2 η
мин-1 кВт Н.м кВт Н.м кВт Н.м кВт Н.м
16 (2х8) 1500 93,75 25,4 2300 0,89 45,1 4133 0,9 71,9 6667 0,91 107,9 10000 0,91
1000 62,5 21,1 2842 0,88 36,5 4967 0,89 60,6 8333 0,9 97 13333 0,9
750 46,88 17,6 3113 0,87 30 5383 0,88 50,6 9167 0,89 82,7 15000 0,89
20 (2,5х8) 1500 75 23,7 2625 0,87 40,9 4633 0,89 66,9 7667 0,9 104,7 12000 0,9
1000 50 18,6 3059 0,86 31,5 5300 0,88 52,9 9000 0,89 87,3 14667 0,88
750 37,5 15 3275 0,86 25,7 5633 0,86 43,1 9667 0,88 71,4 16000 0,88
25 (3,15х8) 1500 60 21 2894 0,86 36,2 5047 0,87 59,5 8493 0,89 95,6 13653 0,89
1000 40 15,8 3238 0,85 26,9 5577 0,86 45,1 9553 0,88 74,5 15773 0,88
750 30 12,7 3409 0,84 21,4 5840 0,85 36,1 10080 0,87 60,3 16827 0,87
31,5 (2х16) 1500 47,62 14,1 2433 0,85 25,5 4467 0,86 46 8333 0,89 71,7 13000 0,89
1000 31,75 11,7 3031 0,85 20,7 5383 0,85 35,7 9722 0,89 59,7 16055 0,88
750 23,81 9,7 3329 0,84 16,9 5842 0,85 29,4 10417 0,87 49,6 17583 0,87
40 (2,5х16) 1500 37,5 13,1 2792 0,84 23,2 5017 0,85 40,9 9167 0,88 66,2 14833 0,88
1000 25 10,2 3269 0,84 17,9 5750 0,84 30,9 10278 0,87 52 17278 0,87
750 18,75 8,3 3509 0,83 14,5 6117 0,83 24,5 10833 0,87 42,2 18500 0,86
50 (3,15х16) 1500 30 11,5 3088 0,84 20,3 5471 0,84 35,7 9855 0,86 58,6 16349 0,87
1000 20 8,7 3468 0,83 15,2 6055 0,83 26,3 10739 0,85 44,2 18292 0,86
750 15 7 3657 0,82 12,1 6344 0,82 20,7 11178 0,84 35,3 19258 0,85
63 (2х31,5) 1500 23,81 7,7 2567 0,83 14 4667 0,83 25,4 8667 0,85 45,4 15667 0,86
1000 15,87 6,4 3164 0,82 11,4 5639 0,82 20,2 10195 0,84 35 17889 0,85
750 11,9 5,3 3463 0,81 9,4 6125 0,81 16,5 10959 0,83 28,5 19000 0,83
80 (2,5х31,5) 1500 18,75 7,1 2925 0,82 12,6 5250 0,83 22,8 9583 0,84 39,9 17000 0,85
1000 12,5 5,6 3403 0,81 9,8 6028 0,82 17,3 10805 0,83 29,7 18778 0,84
750 9,38 4,5 3642 0,8 7,9 6417 0,81 13,9 11417 0,82 23,6 19667 0,83
100 (3,15х31,5) 1500 15 6,2 3221 0,82 11,1 5732 0,82 19,7 10341 0,83 34,1 18102 0,84
1000 10 4,7 3601 0,81 8,2 6351 0,82 14,6 11313 0,82 25,1 19715 0,83
750 7,5 3,8 3790 0,8 6,5 6658 0,81 11,5 11795 0,81 19,5 20218 0,82
125 (4х31,5) 1500 12 5,3 3463 0,81 9,3 6125 0,82 16,7 10959 0,82 28,5 19000 0,83
1000 8 4 3761 0,79 6,8 6611 0,81 12 11722 0,81 20,4 20111 0,82
750 6 3,1 3909 0,78 5,4 6852 0,79 9,4 12101 0,8 15,9 20662 0,81
160 (4х40) 1500 9,38 4,5 3336 0,79 8,4 6033 0,81 12,1 9975 0,81 26,3 18876 0,82
1000 6,25 3,6 3671 0,76 6,5 6505 0,8 9 10970 0,8 19,6 19984 0,81
750 4,69 3 3837 0,73 5,3 6697 0,77 7 11120 0,79 15,5 20153 0,8
200 (4х50) 1500 7,5 3,6 3279 0,78 6,8 5919 0,8 9,4 9525 0,8 21,9 17942 0,81
1000 5 2,8 3564 0,73 5,2 6412 0,77 6,8 10120 0,78 16,3 18659 0,8
750 3,75 2,3 3765 0,7 4,4 6584 0,73 5,6 10895 0,77 12,9 19356 0,79
250 (4х63) 1500 6 3 3171 0,66 4,9 5229 0,67 8,5 9235 0,68 17,2 17036 0,69
1000 4 2,2 3409 0,65 3,6 5657 0,66 6,1 9795 0,67 12,6 17654 0,68
750 3 1,7 3527 0,63 2,9 5870 0,64 4,9 10125 0,65 10,2 18487 0,66

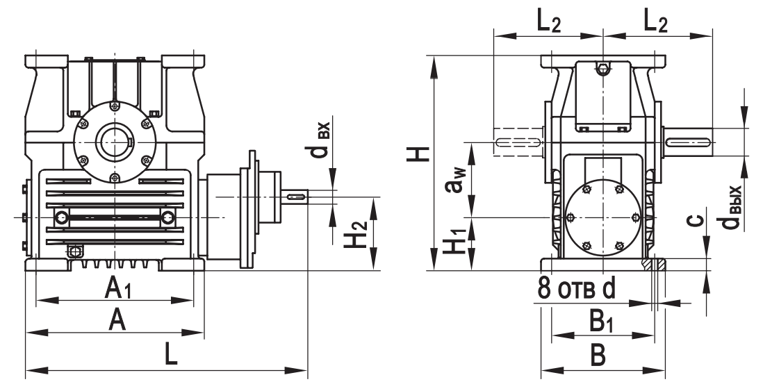
Типоразмер аW А А1 В В1 L* L2* Н Н1 Н2 с d dвх dвых
ЦЧ-­200 200 475 420 330 275 883 340 595 160 285 32 24 45 80
ЦЧ­-250 250 590 520 410 340 938 365 710 175 335 40 28 55 90
ЦЧ­-320 320 695 560 485 405 1145 460 890 215 350 65 34 70 120
ЦЧ­-­400 400 940 840 600 500 1374 580 1100 260 485 70 39 90 160

* Размеры приведены без учёта длины резьбового конца вала исполнения К2. 

Варианты сборки

Варианты расположения червячных передач

1. Червячный вал под колесом;
2. Червячный вал над колесом;
3. 4. Вал червячного колеса вертикальный;
5. 6. Червячный вал вертикальный.

Назад
Выбор города