Ваш город:
Бийск
Ваш город Бийск?
Да Выбрать другой
Заказать звонок
Фильтр

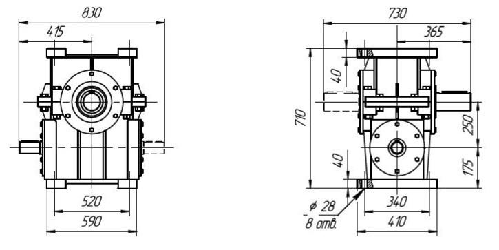
Редуктор Ч-250

Описание

Габаритные размеры Ч-250

С опорным фланцем

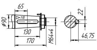
Входной вал «Квн»

Входной вал «Кнар»

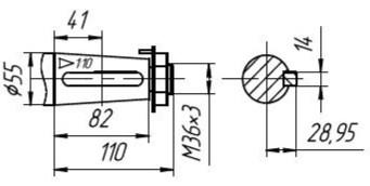
Входной вал «Ц»

Выходной вал «Квн»

Выходной вал «Кнар»

Выходной вал «Ц»

 

Назад
Выбор города