Ваш город:
Бийск
Ваш город Бийск?
Да Выбрать другой
Заказать звонок
Фильтр

Редукторы червячные двухступенчатые Ч2 40 (63, 80, 100, 125, 160)

Описание

Редуктор Ч2-40 Ч2-63 Ч2-80 Ч2-100 Ч2-125 Ч2-160
Номинальный крутящий момент на выходном валу, Н.м 35 125 240 500 950 1900
Номинальное передаточное число 100, 125, 160, 200, 250, 320, 400, 500, 630, 800, 1000,
1250, 1600, 2000, 2500, 3200, 4000, 5000, 6400

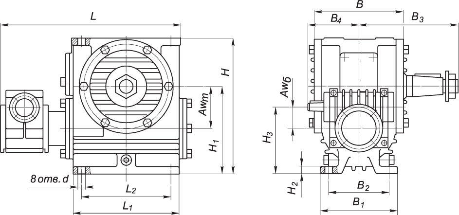
Габаритные и присоединительные размеры редукторов Ч2-40 – Ч2-80

Редуктор Aw т Aw б A B B 1 B 2 B 3 B 4 B 5
Ч2-40 40 30 105 120 100 140 164 100 90
Ч2-63 63 40 150 145 125 165 197 120 100
Ч2-80 80 40 180 165 140 185 212 145 100

 

Редуктор H H 1 H 2 H 3 L L 1 L 2 d
Ч2-40 180 112 37 102 260 180 150 13
Ч2-63 232 145 40 122 323 220 180 13
Ч2-80 267 172 42 132 358 260 225 15

 

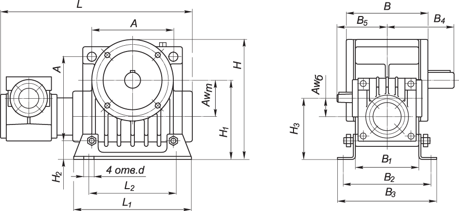
Габаритные и присоединительные размеры редукторов Ч2-100 – Ч2-160

Редуктор Aw т Aw б B B 1 B 2 B 3 B 4
Ч2-100 100 63 194 175 140 225 135
Ч2-125 125 80 243 230 190 230 160
Ч2-160 160 80 282 280 230 280 160

 

Редуктор H H 1 H 2 H 3 L L 1 L 2 d
Ч2-100 312 200 18 163 421 240 200 19
Ч2-125 396 236 22 191 485 275 230 19
Ч2-160 500 300 30 220 581 350 300 22

 

 

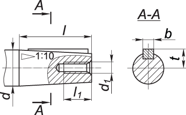
Присоединительные размеры быстроходного вала редукторов Ч2-40 – Ч2-160 

Редуктор d d 1 l l 1 b t
Ч2-63, Ч-80 16 М5 28 15 3 8,5
Ч2-100 22 М8 36 20 4 11,6
Ч2-125, Ч2-160 25 М8 42 20 5 13,45

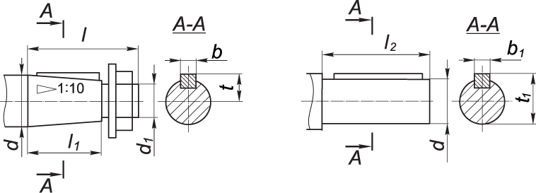
Присоединительные размеры тихоходного вала редукторов Ч2-40 – Ч2-80

Редуктор d d 1 l l 1 b t
Ч2-40 18к6 М5 40 15 6 20,5
Ч2-63 28к6 М8 60 20 8 31
Ч2-80 35к6 М8 80 20 10 38

Присоединительные размеры тихоходного вала редукторов Ч2-100 – Ч2-160 (2 варианта)

Редуктор d d 1 l l 1 l 2 b t b 1 t 1
Ч2-100 45 М30х2,0 110 82 90 12 23,45 14 48,5
Ч2-125 55 М36х3,0 110 82 110 14 28,95 16 59
Ч2-160 70 М48х3,0 140 105 140 18 36,375 20 74,5

Присоединительные размеры полых валов редукторов Ч2-40 – Ч2-160 (2 варианта)

Редуктор d d 1 l l 1 b t D х m х H8
Ч2-40 23 18 112 72 6 20,8 22 х 1,5 х H8
Ч2-63 33 28 108 68 8 31,1 32 х 1,5 х H8
Ч2-80 41 35 116 66 10 38,3 40 х 1,5 х H8
Ч2-100 46 35 205 90 10 38,3 45 х 2,0 х Н8
Ч2-125 60 40 230 110 12 43,3 55 х 2,5 х Н8
Ч2-160 72 60 275 130 18 64,4 70 х 2,5 х Н8

Варианты сборки редукторов Ч2 (вид сверху, червяк под колесом)

Вариант расположения червячной пары в редукторах Ч2 (вид сбоку)

Пример условного обозначения редуктора при заказе 

Ч2-160-250-52-1-У3  

  • Ч2 – тип редуктора;
  • 160 – межосевое расстояние, мм;
  • 250 – номинальное передаточное число;
  • 52 – вариант сборки;
  • 1 – вариант расположения червячной пары;
  • У3 – климатическое исполнение и категория размещения.
Назад
Выбор города