Ваш город:
Бийск
Ваш город Бийск?
Да Выбрать другой
Заказать звонок
Фильтр

Планетарный мотор-редуктор МР2-315

Описание

Описание товара временно отсутствует

Характеристики

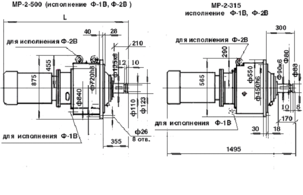
Таблица размеров для для исполнения Щ (размеры, в мм)

  L L1 L2 L3 L4 L5 L6 L7 L8 n h h1 h2 D D1 D2 d
МР-2-315 581 250 21 250 292 321 480 524 30 2 170 10 8 90 80 88 26
МР-2-500; МР-3-500 825 400 40 330 465 445 640 740 70 3 210 12 10 125 110 123 39
Чертеж 3
Чертеж 3

Технические характеристики

Типоразмер Исполнение по монтажу Передат. число Число оборотов на выход. валу в мин Момент на вых. валу , Нм Электродвигатель Масса мотор-редукт., кг
типоразмер мощность, кВт масса, кг
МР-2-315У-14-80 Ф-1П, Ф-1В 18,6 80 5260 АИР200L4 45 275 665
МР-2-315У-25-80 Ф-1П, Ф-1В 18,6 80 3505 АИМ180М4 30 280 690
МР-2-315У-14-64 Ф-1П, Ф-1В 22,8 64 6575 АИР200L4 45 275 665
МР-2-315У-25-64 Ф-1П, Ф-1В 22,8 64 4380 АИМ180M4 30 280 690
МР-2-315У-14-40 Ф-1П, Ф-1В 22,8 40 7010 АИР200L6 30 260 665
МР-2-315У-25-40 Ф-1П, Ф-1В 22,8 40 4325 АИМ180M6 18,5 265 695
МР-2-315У-14-50 Ф-1П, Ф-1В 29,9 50 6920 АИР200M4 37 255 625
МР-2-315У-25-50 Ф-1П, Ф-1В 29,6 50 4110 АИM180M4 30 280 690
МР-2-315У-14-32 Ф-1П, Ф-1В 29,6 32 6430 АИР200M6 22 235 625
МР-2-315У-25-32 Ф-1П, Ф-1В,Ф-2В 29,6 32 5405 АИМ180M6 18,5 265 695
МР-2-315У-14-25 Ф-1П, Ф-2В,Ф-1В 29,6 25 6920 АИР200M8 18,5 235 625
МР-2-315У-25-25 Ф-1П, Ф-1В,Ф-2В 29,6 25 5910 АИМ180M8 15 265 695
МР-2-315-15-80 Ф-1П, Ф-1В,Ф-2В 18,6 80 3500 АИР180М4 30 195 550
МР-2-315-16-80 Ф-1П, Ф-1В,Ф-2В 18,6 80 2160 АИР160М4 18,5 145 510
МР-2-315-26-80 Ф-1П, Ф-1В,Ф-2В 18,6 80 2160 АИМ160М4 18,5 190 615
МР-2-315-15-64 Ф-1П, Ф-1В,Ф-2В 22,8 64 4380 АИР180М4 30 195 550
МР-2-315-16-64 Ф-1П, Ф-1В,Ф-2В 22,8 64 2700 АИР160М4 18,5 145 510
МР-2-315-26-64 Ф-1П, Ф-1В,Ф-2В 22,8 64 2700 АИМ160М4 18,5 190 615
МР-2-315-15-40 Ф-1П, Ф-1В,Ф-2В 22,8 40 4325 АИР180М6 18,5 265 550
МР-2-315-16-40 Ф-1П, Ф-1В,Ф-2В 22,8 40 3510 АИР160М6 15 155 510
МР-2-315-26-40 Ф-1П, Ф-1В,Ф-2В 22,8 40 3510 АИМ160М6 15 215 615
МР-2-315-16-50 Ф-1П,Ф-1В,Ф-2В 29,6 50 3460 АИР160М4 18,5 145 510
МР-2-315-26-50 Ф-1П, Ф-1В,Ф-2В 29,6 50 3460 АИМ160М4 18,5 190 615
МР-2-315-16-32 Ф-1П, Ф-1В,Ф-2В 29,6 32 4380 АИР160М6 15 155 510
МР-2-315-26-32 Ф-1П, Ф-1В,Ф-2В 29,6 32 4380 АИМ160М6 15 215 615
МР-2-315-27-32 Ф-1П, Ф-1В,Ф-2В 29,6 32 2190 АИМ132М6 7,5 215 615
МР-2-315-16-25 Ф-1П, Ф-1В,Ф-2В 29,6 25 4110 АИР160М8 11 155 510
МР-2-315-26-25 Ф-1П, Ф-1В,Ф-2В 29,6 25 4110 АИМ160М8 11 215 615
МР-2-315-17-32 Ф-1В 29,6 32 2190 АИР132М6 7,5    
МР-2-315-17-25 Ф-1В 29,6 25 2060 АИР132М8 5,5    
МР-2-315-27-25 Ф-1В 29,6 25 2060 АИМ132М8 5,5    
МР-2-500-11-80 Ф-1В 18,6 80 15430 АИР280M4 132 830 1765
МР-2-500-12-80 Ф-1В 18,6 80 10520 АИР250М4 90 485 1455
МР-2-500-21-80 Ф-1В 18,6 80 12850 АИМ280S4 110 887 895
МР-2-500-22-80 Ф-1В 18,6 80 10520 АИМ250M4 90 655 1755
МР-2-500-11-64 Ф-1В 22,8 64 16070 АИМ280S4 110 780 1725
МР-2-500-12-64 Ф-1В 22,8 64 13150 АИР250M4 90 485 1460
МР-2-500-13-64 Ф-1В 22,8 64 8040 АИР225M4 55 345  
МР-2-500-21-64 Ф-1В 22,8 64 16070 АИМ280S4 110 887 1900
МР-2-500-22-64 Ф-1В 22,8 64 13150 АИМ250M4 90 655 1760
МР-2-500-23-64 Ф-1В 22,8 64 8040 ВАО-82-4 55 435 1405
МР-2-500-12-50 Ф-1В 29,6 50 16830 АИР250М4 90 435 1465
МР-2-500-13-50 Ф-1В 29,6 50 10300 АИР225M4 55 345 1265
МР-2-500-22-50 Ф-1В 29,6 50 16830 АИМ250М4 90 730 1765
МР-2-500-23-50 Ф-1В 29,6 50 10300 ВАО-82-4 55 725 1410
МР-2-500-15-50 Ф-1В,Ф-2В,Щ 29,6 50 5610 АИР180М4 30 195 1170
МР-2-500-25-50 Ф-1В,Ф-2В,Щ 29,6 50 5610 АИМ180М4 30 280 1295
МР-2-500-15-40 Щ 29,6 40 7010 АИР180М4 30 195 1170
МР-2-500-25-40 Щ 29,6 40 7010 АИМ180М4 30 280 1295
МР-2-500-12-40 Ф-1В 37,8 40 18000 АИР250S4 75 455 1450
МР-2-500-13-40 Ф-1В 37,8 40 12850 АИР225М4 55 345 1275
МР-2-500-22-40 Ф-1В 37,8 40 18000 АИМ250S4 75 730 1715
МР-2-500-13-32 Ф-1В 44,8 32 16070 АИР225М4 55 345 1280
МР-2-500-23-32 Ф-1В,Ф-2В,Щ 44,8 32 16070 АИР180М4 30    
МР-2-500-15-32 Ф-1В,Ф-2В,Щ 44,8 32 87600 АИМ180М4 30 280 1295
МР-2-500-25-32 Ф-1В,Ф-2В,Щ 44,8 32 87600 АИМ180М4 30 280 1295
МР-2-500-13-25 Ф-1В 37,8 25 13840 АИР225М6 37 315 1285
МР-2-500-23-25 Ф-1В 37,8 25 14960 ВАО-82-6 40    
МР-2-500-13-20 Ф-1В 44,8 20 17300 АИР225М6 37 315 1290
МР-2-500-15-20 Щ 44,8 20 8650 АИР180М6 18,5 185 1170
МР-2-500-23-20 Ф-1В 44,8 20 18700 ВАО-82-6 40    
МР-2-500-25-20 Щ 44,8 20 8650 АИМ180М6 18,5 265 1295
МР-2-500-13-16 Ф-1В 44,8 16 17590 АИР225М8 30 315 1290
МР-2-500-23-16 Ф-1В 44,8 16 17590 ВАО-82-8 30    
МР-2-500-15-16 Щ 44,8 16 8760 АИР180М8 15 185 1170
МР-2-500-25-16 Щ 44,8 16 8760 АИМ180М8 15 265 1295

Характеристики

Похожие товары
Планетарный мотор-редуктор МР3-315

Пример обозначения  МР-3-315-15-20-Ф-1В-У3

где: МР – тип мотор-редуктора;
3 – количество ступеней;
315 – делительный диаметр наибольшего колеса с внутренним зубом, мм;
15 – исполнение по двигателю;
20 – число оборотов выходного вала в мин;
Ф-1В – исполнение по монтажу (Ф-1В – вертикальнное, выходным валом вниз, с цилиндрическим концом выходного вала; Ф-2В – горизонтальное, с цилиндрическим концом выходного вала; Щ – на лапах);
У3 – климатическое исполнение.

Отличительные черты МР3-315

  • Валы могут иметь разное расположение, в зависимости от устройств, с которыми они соединены: концевая опора, перемешивающий механизм или муфта.
  • Разновидностью планетарных передач являются дифференциалы: здесь подвержены движению все 3 звена. — Для отрасли станкостроения используют планетарные приводы с коническими колесами, в которых 2 звена ведущие.
  • Планетарные приводы, в которых используются цилиндрические шестерни, дают возможность изменять количество зубьев, компактны в осевом направлении.
  • Планетарные приводы станков имеют особую схему расчета передаточных значений.
  • Могут не только варьировать угловую скорость, но и заменить фрикционную муфту при наличии тормоза на упорном колесе.
  • Существуют схемы, которые рассчитаны на то, что сателлиты не самоустанавливаются по центральным колесам.
  • Такие коробки передач могут быть трехвальными, многовальными. Простое строение, расположение валов на одной оси дает возможность избежать механических потерь.
по запросу
Подробнее
Планетарный мотор-редуктор МР1-800

Пример обозначения  МР-3-800-15-20-Ф-1В-У3

где: МР – тип мотор-редуктора;
3 – количество ступеней;
800 – делительный диаметр наибольшего колеса с внутренним зубом, мм;
15 – исполнение по двигателю;
20 – число оборотов выходного вала в мин;
Ф-1В – исполнение по монтажу (Ф-1В – вертикальнное, выходным валом вниз, с цилиндрическим концом выходного вала; Ф-2В – горизонтальное, с цилиндрическим концом выходного вала; Щ – на лапах);
У3 – климатическое исполнение.

Отличительные черты МР3-800

  • Валы могут иметь разное расположение, в зависимости от устройств, с которыми они соединены: концевая опора, перемешивающий механизм или муфта.
  • Разновидностью планетарных передач являются дифференциалы: здесь подвержены движению все 3 звена. — Для отрасли станкостроения используют планетарные приводы с коническими колесами, в которых 2 звена ведущие.
  • Планетарные приводы, в которых используются цилиндрические шестерни, дают возможность изменять количество зубьев, компактны в осевом направлении.
  • Планетарные приводы станков имеют особую схему расчета передаточных значений.
  • Могут не только варьировать угловую скорость, но и заменить фрикционную муфту при наличии тормоза на упорном колесе.
  • Существуют схемы, которые рассчитаны на то, что сателлиты не самоустанавливаются по центральным колесам.
  • Такие коробки передач могут быть трехвальными, многовальными. Простое строение, расположение валов на одной оси дает возможность избежать механических потерь.
по запросу
Подробнее
Планетарный мотор-редуктор МР2-800

Пример обозначения  МР-3-800-15-20-Ф-1В-У3

где: МР – тип мотор-редуктора;
3 – количество ступеней;
800 – делительный диаметр наибольшего колеса с внутренним зубом, мм;
15 – исполнение по двигателю;
20 – число оборотов выходного вала в мин;
Ф-1В – исполнение по монтажу (Ф-1В – вертикальнное, выходным валом вниз, с цилиндрическим концом выходного вала; Ф-2В – горизонтальное, с цилиндрическим концом выходного вала; Щ – на лапах);
У3 – климатическое исполнение.

Отличительные черты МР3-800

  • Валы могут иметь разное расположение, в зависимости от устройств, с которыми они соединены: концевая опора, перемешивающий механизм или муфта.
  • Разновидностью планетарных передач являются дифференциалы: здесь подвержены движению все 3 звена. — Для отрасли станкостроения используют планетарные приводы с коническими колесами, в которых 2 звена ведущие.
  • Планетарные приводы, в которых используются цилиндрические шестерни, дают возможность изменять количество зубьев, компактны в осевом направлении.
  • Планетарные приводы станков имеют особую схему расчета передаточных значений.
  • Могут не только варьировать угловую скорость, но и заменить фрикционную муфту при наличии тормоза на упорном колесе.
  • Существуют схемы, которые рассчитаны на то, что сателлиты не самоустанавливаются по центральным колесам.
  • Такие коробки передач могут быть трехвальными, многовальными. Простое строение, расположение валов на одной оси дает возможность избежать механических потерь.
по запросу
Подробнее
Планетарный мотор-редуктор МР1-500

Пример обозначения  МР-1-500-12-125-Ф-1П-Т3

где: МП – планетарный мотор-редуктор (тип)
1 – число ступеней;
500 – делительный диаметр, самого большого колеса с внутренним зубом, миллиметры;
12 – исполнение по двигателю;
125 – количество оборотов выполняемых выходным валом за ед. времени (1 мин.);
Ф-2П – исполнение по монтажу (Ф-2П обозначает горизонтальное исполнение, выходной вал которого имеет вид фланцевой полумуфты, со встроенным зубчатым компенсатором; Ф-1П обозначает вертикальное исполнение, вниз выходным валом, конец которого выполнен в виде фланцевой полумуфты со встроенным зубчатым компенсатором);
АИР – вид электродвигателя;
У3 –климатическое исполнение.

Отличительные черты МР1-500

  • Валы могут иметь разное расположение, в зависимости от устройств, с которыми они соединены: концевая опора, перемешивающий механизм или муфта.
  • Разновидностью планетарных передач являются дифференциалы: здесь подвержены движению все 3 звена. — Для отрасли станкостроения используют планетарные приводы с коническими колесами, в которых 2 звена ведущие.
  • Планетарные приводы, в которых используются цилиндрические шестерни, дают возможность изменять количество зубьев, компактны в осевом направлении.
  • Планетарные приводы станков имеют особую схему расчета передаточных значений.
  • Могут не только варьировать угловую скорость, но и заменить фрикционную муфту при наличии тормоза на упорном колесе.
  • Существуют схемы, которые рассчитаны на то, что сателлиты не самоустанавливаются по центральным колесам.
  • Такие коробки передач могут быть трехвальными, многовальными. Простое строение, расположение валов на одной оси дает возможность избежать механических потерь.
по запросу
Подробнее
Планетарный мотор-редуктор МР1-315

Пример обозначения  МР-1-315-12-125-Ф-1П-Т3

где: МП – планетарный мотор-редуктор (тип)
1 – число ступеней;
315 – делительный диаметр, самого большого колеса с внутренним зубом, миллиметры;
12 – исполнение по двигателю;
125 – количество оборотов выполняемых выходным валом за ед. времени (1 мин.);
Ф-2П – исполнение по монтажу (Ф-2П обозначает горизонтальное исполнение, выходной вал которого имеет вид фланцевой полумуфты, со встроенным зубчатым компенсатором; Ф-1П обозначает вертикальное исполнение, вниз выходным валом, конец которого выполнен в виде фланцевой полумуфты со встроенным зубчатым компенсатором);
АИР – вид электродвигателя;
У3 –климатическое исполнение.

Отличительные черты МР1-315

  • Валы могут иметь разное расположение, в зависимости от устройств, с которыми они соединены: концевая опора, перемешивающий механизм или муфта.
  • Разновидностью планетарных передач являются дифференциалы: здесь подвержены движению все 3 звена. — Для отрасли станкостроения используют планетарные приводы с коническими колесами, в которых 2 звена ведущие.
  • Планетарные приводы, в которых используются цилиндрические шестерни, дают возможность изменять количество зубьев, компактны в осевом направлении.
  • Планетарные приводы станков имеют особую схему расчета передаточных значений.
  • Могут не только варьировать угловую скорость, но и заменить фрикционную муфту при наличии тормоза на упорном колесе.
  • Существуют схемы, которые рассчитаны на то, что сателлиты не самоустанавливаются по центральным колесам.
  • Такие коробки передач могут быть трехвальными, многовальными. Простое строение, расположение валов на одной оси дает возможность избежать механических потерь.
по запросу
Подробнее
Планетарный мотор-редуктор МР2-500

Пример обозначения  МР-2-500-12-125-Ф-1П-Т3

где: МП – планетарный мотор-редуктор (тип)
2 – число ступеней;
500 – делительный диаметр, самого большого колеса с внутренним зубом, миллиметры;
12 – исполнение по двигателю;
125 – количество оборотов выполняемых выходным валом за ед. времени (1 мин.);
Ф-2П – исполнение по монтажу (Ф-2П обозначает горизонтальное исполнение, выходной вал которого имеет вид фланцевой полумуфты, со встроенным зубчатым компенсатором; Ф-1П обозначает вертикальное исполнение, вниз выходным валом, конец которого выполнен в виде фланцевой полумуфты со встроенным зубчатым компенсатором);
АИР – вид электродвигателя;
У3 –климатическое исполнение.

Отличительные черты МР2-500

  • Валы могут иметь разное расположение, в зависимости от устройств, с которыми они соединены: концевая опора, перемешивающий механизм или муфта.
  • Разновидностью планетарных передач являются дифференциалы: здесь подвержены движению все 3 звена. — Для отрасли станкостроения используют планетарные приводы с коническими колесами, в которых 2 звена ведущие.
  • Планетарные приводы, в которых используются цилиндрические шестерни, дают возможность изменять количество зубьев, компактны в осевом направлении.
  • Планетарные приводы станков имеют особую схему расчета передаточных значений.
  • Могут не только варьировать угловую скорость, но и заменить фрикционную муфту при наличии тормоза на упорном колесе.
  • Существуют схемы, которые рассчитаны на то, что сателлиты не самоустанавливаются по центральным колесам.
  • Такие коробки передач могут быть трехвальными, многовальными. Простое строение, расположение валов на одной оси дает возможность избежать механических потерь.
по запросу
Подробнее
Планетарный мотор-редуктор МР3-500

Пример обозначения  МР-3-500-15-20-Ф-1В-У3

где: МР – тип мотор-редуктора;
3 – количество ступеней;
500 – делительный диаметр наибольшего колеса с внутренним зубом, мм;
15 – исполнение по двигателю;
20 – число оборотов выходного вала в мин;
Ф-1В – исполнение по монтажу (Ф-1В – вертикальнное, выходным валом вниз, с цилиндрическим концом выходного вала; Ф-2В – горизонтальное, с цилиндрическим концом выходного вала; Щ – на лапах);
У3 – климатическое исполнение.

Отличительные черты МР3-500

  • Валы могут иметь разное расположение, в зависимости от устройств, с которыми они соединены: концевая опора, перемешивающий механизм или муфта.
  • Разновидностью планетарных передач являются дифференциалы: здесь подвержены движению все 3 звена. — Для отрасли станкостроения используют планетарные приводы с коническими колесами, в которых 2 звена ведущие.
  • Планетарные приводы, в которых используются цилиндрические шестерни, дают возможность изменять количество зубьев, компактны в осевом направлении.
  • Планетарные приводы станков имеют особую схему расчета передаточных значений.
  • Могут не только варьировать угловую скорость, но и заменить фрикционную муфту при наличии тормоза на упорном колесе.
  • Существуют схемы, которые рассчитаны на то, что сателлиты не самоустанавливаются по центральным колесам.
  • Такие коробки передач могут быть трехвальными, многовальными. Простое строение, расположение валов на одной оси дает возможность избежать механических потерь.
по запросу
Подробнее
Планетарный мотор-редуктор МР3-800

Пример обозначения  МР-3-800-15-20-Ф-1В-У3

где: МР – тип мотор-редуктора;
3 – количество ступеней;
800 – делительный диаметр наибольшего колеса с внутренним зубом, мм;
15 – исполнение по двигателю;
20 – число оборотов выходного вала в мин;
Ф-1В – исполнение по монтажу (Ф-1В – вертикальнное, выходным валом вниз, с цилиндрическим концом выходного вала; Ф-2В – горизонтальное, с цилиндрическим концом выходного вала; Щ – на лапах);
У3 – климатическое исполнение.

Отличительные черты МР3-800

  • Валы могут иметь разное расположение, в зависимости от устройств, с которыми они соединены: концевая опора, перемешивающий механизм или муфта.
  • Разновидностью планетарных передач являются дифференциалы: здесь подвержены движению все 3 звена. — Для отрасли станкостроения используют планетарные приводы с коническими колесами, в которых 2 звена ведущие.
  • Планетарные приводы, в которых используются цилиндрические шестерни, дают возможность изменять количество зубьев, компактны в осевом направлении.
  • Планетарные приводы станков имеют особую схему расчета передаточных значений.
  • Могут не только варьировать угловую скорость, но и заменить фрикционную муфту при наличии тормоза на упорном колесе.
  • Существуют схемы, которые рассчитаны на то, что сателлиты не самоустанавливаются по центральным колесам.
  • Такие коробки передач могут быть трехвальными, многовальными. Простое строение, расположение валов на одной оси дает возможность избежать механических потерь.
по запросу
Подробнее
Назад
Выбор города